Shaft and wheel for 17201-17040



53.71
€
66.06
€

Remaining 2 pcs.
Add to favorites
Manufacturer:
TurboCentras
SKU:
TO-02-0008
Serial number:
TO-02-0008
Main number:
CT26-36, 17290-17040, TO-02-0008, TW-0057
OEM number:
17201-17040, 17201-74090, 17201-74091
About product
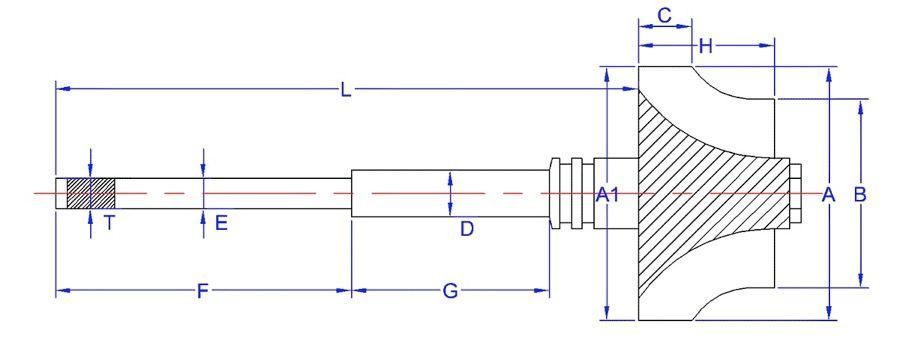
Dimensions of the Shaft and wheel:
Blades (Shaft & Wheel blades count): 10
Rotation (Shaft & Wheel rotation direction): Standard
Type (Shaft & Wheel type): Straight
Back (Shaft & Wheel back type): Open
P.R. (Shaft & Wheel piston rings count): Single
A (Size A): 60.00
A1 (Size A1): 60.00
B (Size B): 48.00
C (Size C): 8.35
D (Size D): 8.50
E (Size E): 5.70
H (Size H): 22.00
L (Size L): 115.00
T (Size T): M5.5X0.5LH
Shaft and wheel fits to the next turbochargers:
- 17201-17040, 17201-74090, 17201-74091
Delivery and Payment
Shipping
We can deliver this item by DPD, InPost, FeDex
Payment
PayU, PayPal, Mastercard / Visa
Warranty
12 months
All components compatible with OEM: 17201-17040
Part Name Product Manufacturer Part Code Price (netto) QTY Total (netto) Action